7日に入学したばかりの新入生が,今後の実習で使用する新しい実験器具と実習服を受け取りました。
まず初めに,試験管やビーカーを受け取り,実習箱に丁寧に入れていきました。
次に,注文していた実習服を受け取り,実際に試着しました。
新しい実習服を身に着けた新入生は,実習の最初の授業として,「安全教育」を受けました。6人グループに分かれ,これまでの自分のヒヤリハット経験をまとめたり,KYT(危険予知トレーニング)など行ったりしました。これらの作業が「安全を意識する」ことのきっかけになったと思います。
新入生の皆さん,「ご安全に!!」

3年間使うビーカーを受け取りました。

新品の作業服に身を包んだ新入生!
春休みの真っ最中ですが,工業化学科では新学期の石けん製造に向けての準備作業がはじまっています。
まずは原料をはかりとったり混ぜたりして,新3年生がスムーズに石けんをつくれるように下準備をしています。
4月に入って,石けん製造班員が決定したら,本格的に石けん製造に取りかかります。

原料の油をはかり取っています

ただいま攪拌中!
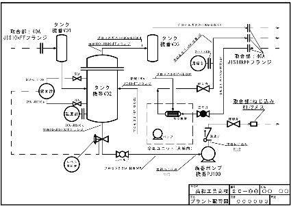
工業化学科の実習風景第3弾は「CAD」実習です。
第1弾で紹介した「製図」実習が終わり,CAD実習に移りました。
工業化学科では「六角ボルト」や「ボルト・ナット」などの機械の図面だけでなく,化学プラント関連の図面の作図も行っています。
これは化学工場の「巨大な塔やタンクがどうつながっているか」とか,「測定機器がどう配置されているか」を表した図面で,いかにも「工業化学科」らしい課題です。
このようなCADの技術も身に着け,卒業後に現場でしっかり活躍してほしいものです。


プラント計装図を作図中

生徒の作品(プラント計装図)
工業化学科の実習風景第2弾は「化学工学」実習です。
この実習では,化学工場などにある巨大な塔やタンク,パイプの設計や運転に必要な知識と技術を学んでいます。
今回の実習は,パイプに水を流したときの速さと流れの様子を測定しています。
一見,地味に見えますが,化学工場などの機械を扱うときに必要な知識を学ぶ,工業化学科にとってはとても重要な実習です。
この実習で知識と技術をしっかり学び,将来は工業人として活躍してほしいものです。

工業化学科といっても,化学の実験ばかりしているのではありません。
ごく基本的な図面が引けるよう,手描きの「製図」の実習も行っています。
はじめは点線を引いたり,円を描いたりするのに四苦八苦していましたが,実習を重ねることで速さ,美しさ,正確さのスキルも上達しました。

この後,CAD実習に移ります。
3年生が工業化学科で授業を受けるのも,今日が最後になりました。高校生活最後の授業になったのは「実習」で,3年間使用した実験器具の返却作業を行いました。
長い間使ったビーカーや試験管などとお別れし,最後に実験箱の掃除を終えた3年生は「卒業」がもう目の前に迫っていることを実感していました。
明日から4日間は卒業考査が実施され,その後は家庭学習期間に入ります。

3年間使った実験器具とのお別れ

最後に実習箱をきれいに掃除しました
先日,合格発表があった「危険物取扱者」の免状が届きました!工業化学科1年生は初めての本格的な資格免状を手にし,嬉しさもひとしおでした。
今回1年生が手にしたのは乙種4類の資格ですが,これに満足することなく1類~6類すべてを取得することを目指して今も頑張っています。

免状を手に,ガッツポーズの1年生
工業技術者として必要な情報技術の基本的な知識や技能が身についているかどうかを検定する「情報技術検定」。この検定合格に向けて,1年生は12月から家庭学習や課外学習に頑張ってきました。今日も過去の問題や,担当の先生が作成した模擬問題に一生懸命取り組んでいます。
みんな,合格目指してガンバレ!

難関国家資格である「ダイオキシン類関係公害防止管理者試験」に工業化学科3年生の3名が見事合格し,終業式が行われた24日,校長先生から国家試験合格証書が手渡されました。
その後,2年生の時に合格した友人とともに,きりっとした表情で記念写真に納まりました。
みなさん,合格おめでとうございます!

来年夏のものづくりコンテストに向けて,滴定操作の練習を開始しました。
今回は,夏に本校代表として出場した3年生が指導役となり,自分が身に着けた化学分析の技術やコツを後輩に伝える形で行われました。
来年度挑戦する2年生は,細かな操作に戸惑いながらも,先輩の助言をしっかりと聞き,滴定操作を学んでいました。
大会本番まで8か月足らずですが,しっかり練習して全国大会出場を勝ち取ってほしいものです。

令和7年12月12日,本校工業化学科の卒業生による「卒業生講話」を行いました。
今年は県内企業の株式会社伏見製薬所と県外企業のENEOS株式会社川崎製油所からそれぞれ卒業生をお招きして,実際の仕事の内容や現場で働いている経験などを後輩たちに伝えていただきました。
講話を聴いた後輩たちは,「配属先は選べるのですか?」とか「仕事が終わった後,遊ぶ時間はありますか?」,「実際の仕事は入社前に想像していたとおりですか?」など,進路決定を前にして不安や疑問に思うことを率直に質問していました。
お二方の講話を参考にして,じっくりと進路選びをしてほしいものです。

株式会社伏見製薬所の先輩の講話

ENEOS株式会社川崎製油所の先輩の講話
工業化学科3年生が4月から研究してきた内容を後輩たちに伝える「課題研究発表会」が11月26日に行われました。
3年生は動画や実演なども取り入れながら,わかりやすい発表が行われました。
参加した2年生は,「自分たちは来年どんな研究をしようか」と考えながら先輩たちの発表に聞き入っていました。
今年度研究したテーマは次の通りです。
・体験できる実験
・工芸展に向けて石けんとアロエ水・サクラ水を作ろう。手作り石けんを作ろう。
・強いシャボン玉をつくろう!
・試験管の再利用法について考えてみよう
・七宝焼
・CADを使ったプラント配管図の製図

発表の様子

強力シャボン玉の実演(強いシャボン玉をつくろう!)
今年の工芸展も終わりました。
体験・販売とも多くのお客様に来ていただき,本当にありがとうございました。
また,来年もよろしくお願いします。

体験コーナー(染色体験)

石けん・サクラ水…たくさんの皆様に購入いただきありがとうございました。
完売しました。
工芸展が始まりました!昨日は,工業化学科でも石けんの販売・体験ブースで大変多くの方々に楽しんでいただきました。
本日も9:00から開催しますので,皆様のご来展をお待ちしています。

工業化学科展(化学体験)

巨大シャボン玉

石けん販売